您好,欢迎访问米兰体育在线网站_米兰体育(中国)网站!

联系我们

联系我们

米兰体育在线网站_米兰体育(中国)

手机:133-4266-6888

电话:0769-81383685

邮箱:changmin896@163.com

地址:广东省东莞市石排镇庙边王龙田西路1号

网址:www.staylomixtapes.com/

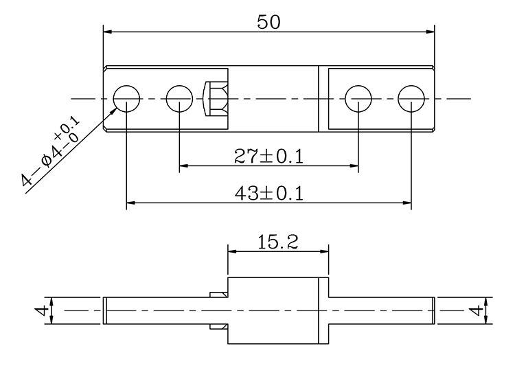
一字转轴 CM002-001

规格:CM002-001
外观:电镀亮镍
扭力:17-19KGF.CM
寿命:5000次,衰减率小于20%
材质:1215
咨询热线:133-4266-6888

产品介绍

一字转轴 CM002-001      
精密一字轴,扭力大耐腐耐磨,公母轴通过过盈配合产生扭矩,对尺寸公差要求较高米兰体育在线网站_米兰体育(中国)转轴的公母轴都是自行设计生产,能有效控制质量和成品。
 

专注精密五金转轴实体厂家
专业转轴工程师为您的产品量身定制各类转轴
地址:广东省东莞市石排镇庙边王龙田西路1号
电话:0769-81383685
手机:133-4266-6888
Copyright © 2021 米兰体育在线网站_米兰体育(中国) 版权所有,违权必究 粤ICP备18051942号
咨询

电话

133-4266-6888

扫一扫加微信

扫一扫加微信

扫一扫加微信

公众号

微信公众号

微信公众号

微信小程序

微信小程序

微信小程序